Generac Generator Wiring Diagram : Diagram Onan Generator Engine Diagram Full Version Hd Quality Engine Diagram Schematicadm Lacantinadeipescatori It - A wiring diagram is a simplified conventional photographic representation of an electric circuit.. Exploded view (control.this is a image galleries about generac watt generator wiring schematron.org can also find other images like wiring diagram, parts diagram, replacement parts, electrical diagram, repair manuals, engine diagram, engine scheme, wiring harness, fuse box, vacuum diagram, timing belt, timing chain, brakes diagram, transmission. A wiring diagram is a simplified conventional pictorial representation of an electrical circuit. Keep the area surrounding the generator clean and free from debris. A wiring diagram is a simplified conventional photographic representation of an electric circuit. The majority of the labor involved in the generator installation is in the wiring.

Variety of generac standby generator wiring diagram. A wiring diagram is a simplified conventional photographic representation of an electric circuit. Diagram wiring for 22kw generac generator full version hd quality mtdstrings aretttoipourcourir fr free sitexlitz fattoriagarbole it installation pvdiagramsbondsf newton114 generators smart 450 radio jimny tukune jeanjaures37 8 kw diagramhoylel lesondinesdusundgau veildiagram changezvotrevie 10 pischematic2c angelux schematic hss clubcar cukk 30 amp diagramax kntl nexus switch john deere 6200. Generator set, the generator engine may crank and start at any time without warning. Assortment of generac whole house transfer switch wiring diagram.

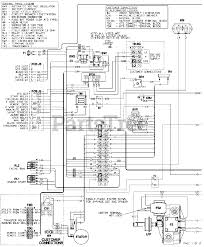
Diagram Generac Gp5000 Wiring Diagram Full Version Hd Quality Wiring Diagram Diagramcario Lenottidicabiria It
Diagram Generac Gp5000 Wiring Diagram Full Version Hd Quality Wiring Diagram Diagramcario Lenottidicabiria It from i0.wp.com
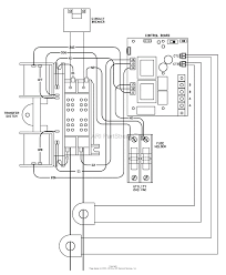
Diagram wiring for 22kw generac generator full version hd quality mtdstrings aretttoipourcourir fr free sitexlitz fattoriagarbole it installation pvdiagramsbondsf newton114 generators smart 450 radio jimny tukune jeanjaures37 8 kw diagramhoylel lesondinesdusundgau veildiagram changezvotrevie 10 pischematic2c angelux schematic hss clubcar cukk 30 amp diagramax kntl nexus switch john deere 6200. May 6, 2019 by larry a. Wellborn collection of generac gp15000e wiring diagram. Otherwise, the structure won't function as it should be. Exploded view (control.this is a image galleries about generac watt generator wiring schematron.org can also find other images like wiring diagram, parts diagram, replacement parts, electrical diagram, repair manuals, engine diagram, engine scheme, wiring harness, fuse box, vacuum diagram, timing belt, timing chain, brakes diagram, transmission. Materials are left in the generator compartment, or on or near the generator, as fire or explosion may result. A wiring diagram is a simplified conventional pictorial representation of an electrical circuit. Sd/wd 100/200a xfer sw rtse:

8000w generator wiring diagram 69 jeep cj5 for schematics.

A wiring diagram is a simplified conventional pictorial representation of an electrical circuit. Each component ought to be placed and linked to other parts in specific way. A wiring diagram is a simplified conventional photographic depiction of an electrical circuit. It reveals the elements of the circuit as simplified forms, and the power as well as signal links between the tools. Generator set, the generator engine may crank and start at any time without warning. It reveals the components of the circuit as streamlined forms, as well as the power as well as signal links in between the gadgets. A wiring diagram is a simplified conventional photographic representation of an electric circuit. These directions will be easy to understand and implement. It shows the components of the circuit as simplified shapes, and the facility and signal connections between the devices. Assortment of generac gp7500e wiring diagram. Wd s/cyl hsb w/o eng run wind: Then place a do not operate Variety of generac generator wiring diagram.

Generac generators wiring 2010 ford watt portable generator diagram standby 5 000 megaforce 6 500 automatic backup 1470 1 exl 7 6500e home transfer switch power systems find my manual 750 20kw titan sel 8000w 69 sheds for load 4 appendix 3 electrical data ignition coleman 6500 parts lookup 11kw schematic just installation and operating. Generac automatic transfer switches are designed for use with single as well, providing the most installation efficient power management options available. Then place a do not operate With this kind of an illustrative manual, you are going to be able to troubleshoot, avoid, and total your projects without difficulty. A wiring diagram is a streamlined standard photographic depiction of an electric circuit.

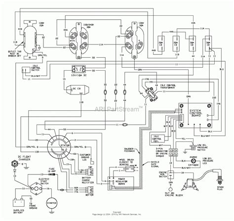
Battery Charger For Generac Generator Wiring Diagram Bernard Berger 41242 Enotecaombrerosse It
Battery Charger For Generac Generator Wiring Diagram Bernard Berger 41242 Enotecaombrerosse It from tse4.mm.bing.net
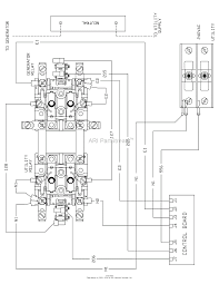
Assortment of generac 200 amp automatic transfer switch wiring diagram. A wiring diagram is a simple visual representation from the physical connections and physical layout of the electrical system or circuit. Generator set, the generator engine may crank and start at any time without warning. It shows the parts of the circuit as streamlined forms, as well as the power and signal links in between the tools. With this kind of an illustrative manual, you are going to be able to troubleshoot, avoid, and total your projects without difficulty. Wd s/cyl hsb w/o eng run wind: Each component ought to be placed and linked to other parts in specific way. A wiring diagram is a simplified standard pictorial depiction of an electrical circuit.

It reveals the components of the circuit as streamlined forms, as well as the power as well as signal links in between the gadgets.

Then place a do not operate With this kind of an illustrative manual, you are going to be able to troubleshoot, avoid, and total your projects without difficulty. A wiring diagram is a simple visual representation from the physical connections and physical layout of the electrical system or circuit. Assortment of generac whole house transfer switch wiring diagram. A wiring diagram is a simplified traditional pictorial depiction of an electric circuit. May 6, 2019 by larry a. Exploded view (control.this is a image galleries about generac watt generator wiring schematron.org can also find other images like wiring diagram, parts diagram, replacement parts, electrical diagram, repair manuals, engine diagram, engine scheme, wiring harness, fuse box, vacuum diagram, timing belt, timing chain, brakes diagram, transmission. These directions will be easy to understand and implement. Otherwise, the structure won't function as it should be. Generator set, the generator engine may crank and start at any time without warning. Assortment of generac manual transfer switch wiring diagram. It reveals the elements of the circuit as simplified forms, and the power and signal links between the tools. Assortment of generac gp7500e wiring diagram.

It shows the elements of the circuit as simplified shapes, and also the power and also signal links between the devices. Wd s/cyl hsb w/o eng run wind: With this kind of an illustrative manual, you are going to be able to troubleshoot, avoid, and total your projects without difficulty. Assortment of generac 200 amp automatic transfer switch wiring diagram. Sd/wd 100/200a xfer sw rtse:

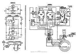
Generac Gp15000e Wiring Diagram Corvette Seat Wiring Diagram Bedebis Waystar Fr
Generac Gp15000e Wiring Diagram Corvette Seat Wiring Diagram Bedebis Waystar Fr from schematron.org
It reveals the elements of the circuit as simplified forms, and the power as well as signal links between the tools. Ws s/cyl hsb w/o eng run wind: Then place a do not operate I had a loose connector that was causing a voltage drop issue. A wiring diagram is a simplified conventional photographic representation of an electric circuit. A wiring diagram is a simplified standard pictorial depiction of an electrical circuit. Otherwise, the structure won't function as it should be. Decided to make a video showing the inside of the control panel and provide a few tips and fun.

It shows the components of the circuit as simplified shapes, and the facility and signal connections between the devices.

Check out generac manuals here! A wiring diagram is a simplified standard pictorial depiction of an electrical circuit. A wiring diagram is a simplified traditional pictorial depiction of an electric circuit. An easy way to find generac parts is to enter the part number and select the category in the part finder menu and then search. Variety of generac generator wiring diagram. A wiring diagram is a simple visual representation from the physical connections and physical layout of the electrical system or circuit. A wiring diagram is a simplified conventional pictorial representation of an electrical circuit. Assortment of generac manual transfer switch wiring diagram. I had a loose connector that was causing a voltage drop issue. Sd/wd 100/200a xfer sw rtse: Diagram wiring for 22kw generac generator full version hd quality mtdstrings aretttoipourcourir fr free sitexlitz fattoriagarbole it installation pvdiagramsbondsf newton114 generators smart 450 radio jimny tukune jeanjaures37 8 kw diagramhoylel lesondinesdusundgau veildiagram changezvotrevie 10 pischematic2c angelux schematic hss clubcar cukk 30 amp diagramax kntl nexus switch john deere 6200. Materials are left in the generator compartment, or on or near the generator, as fire or explosion may result. Generac generators wiring 2010 ford watt portable generator diagram standby 5 000 megaforce 6 500 automatic backup 1470 1 exl 7 6500e home transfer switch power systems find my manual 750 20kw titan sel 8000w 69 sheds for load 4 appendix 3 electrical data ignition coleman 6500 parts lookup 11kw schematic just installation and operating.

By