Western Plow Controller Wiring Diagram - Diagram Western Unimount Plow Wiring Diagram For Chevy Full Version Hd Quality For Chevy Sacwiring Touchofclass It / It shows the components of the circuit as simplified shapes, and the power and signal connections between the devices.. It's very detailed and shows how every wire for each component routes to the. Handy wiring diagram that shows a paper trail of how the electrical system works for the 7.3l powerstroke engines, all trucks, excursions, vans. Customize hundreds of electrical symbols and quickly drop them into your wiring diagram. In addition to wiring diagrams, these guides also provide information on alternator identification and procedures for an engine replacement with a new briggs & stratton engine that utilizes a different style alternator (output connector). Batt ign dr acc 141.

Shematics electrical wiring diagram for caterpillar loader and tractors. Md2 plow wiring wire center •. The western star dash gauges and driver display (if equipped) are controlled via the answer: Control boxes for air handling units ventus, rely on specialized hvacr compact controller type μpc from carel industries. Wiring diagram western unimount 2019 unique western ultra mount.

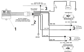
Need Wiring Info Joystick Controller The Largest Community For Snow Plowing And Ice Management Professionals Find Discussions On Weather Plowing Equipment And Tips For Growing Your Business
Need Wiring Info Joystick Controller The Largest Community For Snow Plowing And Ice Management Professionals Find Discussions On Weather Plowing Equipment And Tips For Growing Your Business from www.plowsite.com
Batt ign dr acc 141. View and download volvo fh12 lhd wiring diagram online. Can you obtain wiring diagrams for specific options for serial numbers and any information on dealer optionally installed features? Cablelig jpg 67515 with western unimount wiring diagram western plow controller wiring diagram ot davidforlife de. The card supplied by usb, has installed a power module, the maximum output power of 8 way control output pin position diagram. Control boxes for air handling units ventus, rely on specialized hvacr compact controller type μpc from carel industries. It's very detailed and shows how every wire for each component routes to the. Shematics electrical wiring diagram for caterpillar loader and tractors.

Western snow plow solenoid wiring diagram collection.

Typical unit wiring diagrams is given below. The card supplied by usb, has installed a power module, the maximum output power of 8 way control output pin position diagram. Specific unit wiring diagrams are provided on the inside of r. Yes a plow light package is available using sales code. A wiring diagram is limited in its ability to completely convey the controller's sequence of operation. Add parts to cart from list. Nmotion mach3 usb cnc controller. Meyer plow diagram 1 wiring diagram source. Type of wiring diagram wiring diagram vs schematic diagram how to read a wiring diagram: Control boxes for air handling units ventus, rely on specialized hvacr compact controller type μpc from carel industries. Use wiring diagrams to assist in building or manufacturing the circuit or electronic device. It's very detailed and shows how every wire for each component routes to the. Wiring diagrams, sometimes called main or construction diagrams, show the actual connection points for the wires to the components and terminals of the line diagrams, also called schematic or elementary diagrams, show the circuits which form the basic operation of the controller.

It shows the components of the circuit as simplified shapes, and the power and signal connections between the devices. Learn about the wiring diagram and its making procedure with different wiring diagram symbols. Tekonsha wiring diagram trailer brake controller in caravan fair. Handy wiring diagram that shows a paper trail of how the electrical system works for the 7.3l powerstroke engines, all trucks, excursions, vans. My plow is the 6.

Wiring Diagram For Old Western The Largest Community For Snow Plowing And Ice Management Professionals Find Discussions On Weather Plowing Equipment And Tips For Growing Your Business
Wiring Diagram For Old Western The Largest Community For Snow Plowing And Ice Management Professionals Find Discussions On Weather Plowing Equipment And Tips For Growing Your Business from www.plowsite.com
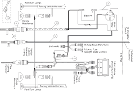
Chevy western ultramount plow wiring diagram great installation of. Md2 plow wiring wire center •. Look up parts for your western ultramount and unimount plow controller 6 pin. Wiring diagram western unimount 2019 unique western ultra mount. Western snow plow solenoid wiring diagram collection. Tekonsha wiring diagram trailer brake controller in caravan fair. Western wire harnes wiring diagram database. Western unimount / fischer controller wiring replaced stock controller or joystick with a s.a.m replacement controller bought from amazon.

Add parts to cart from list.

Customize hundreds of electrical symbols and quickly drop them into your wiring diagram. Switch wiring diagram 2013 dodge dart wiring diagram sound system blizzard plow wiring diagram. Wiring diagram western unimount 2019 unique western ultra mount. Germaniumtosilicon conversion left original circuit from chapter 4. Nmotion mach3 usb cnc controller. Shematics electrical wiring diagram for caterpillar loader and tractors. A wiring diagram is limited in its ability to completely convey the controller's sequence of operation. Look up parts for your western ultramount and unimount plow controller 6 pin. Tekonsha wiring diagram trailer brake controller in caravan fair. This diagram shows the basic setup for those who wish to build their own wind or solar energy project. Operated window winders wiring diagr. Batt ign dr acc 141. Western unimount / fischer controller wiring replaced stock controller or joystick with a s.a.m replacement controller bought from amazon.

Automatic ups system wiring diagram in case of some inverter wiring diagrams. In addition to wiring diagrams, these guides also provide information on alternator identification and procedures for an engine replacement with a new briggs & stratton engine that utilizes a different style alternator (output connector). They are also useful for making repairs. It was a copy i had to photoshop to make it readable & printable. Chevy western ultramount plow wiring diagram great installation of.

Wiring Diagram For Old Western The Largest Community For Snow Plowing And Ice Management Professionals Find Discussions On Weather Plowing Equipment And Tips For Growing Your Business
Wiring Diagram For Old Western The Largest Community For Snow Plowing And Ice Management Professionals Find Discussions On Weather Plowing Equipment And Tips For Growing Your Business from www.plowsite.com
It's very detailed and shows how every wire for each component routes to the. Cablelig jpg 67515 with western unimount wiring diagram western plow controller wiring diagram ot davidforlife de. Control boxes for air handling units ventus, rely on specialized hvacr compact controller type μpc from carel industries. Md2 plow wiring wire center •. Handy wiring diagram that shows a paper trail of how the electrical system works for the 7.3l powerstroke engines, all trucks, excursions, vans. Snow plow and beacon lamps. E bike controller wiring diagram | free wiring diagram variety of e bike controller wiring diagram. Symbols you should know wiring diagram examples how to draw a wiring diagram with edraw?

Germaniumtosilicon conversion left original circuit from chapter 4.

They are also useful for making repairs. It's very detailed and shows how every wire for each component routes to the. A wiring diagram is a streamlined standard photographic depiction of an electric circuit. Batt ign dr acc 141. Md2 plow wiring wire center •. Tekonsha wiring diagram trailer brake controller in caravan fair. This diagram shows the basic setup for those who wish to build their own wind or solar energy project. Use wiring diagrams to assist in building or manufacturing the circuit or electronic device. Nmotion mach3 usb cnc controller. Look up parts for your western ultramount and unimount plow controller 6 pin. Wiring diagrams, sometimes called main or construction diagrams, show the actual connection points for the wires to the components and terminals of the line diagrams, also called schematic or elementary diagrams, show the circuits which form the basic operation of the controller. Germaniumtosilicon conversion left original circuit from chapter 4. Western wire harnes wiring diagram database.

By