Home › Unlabelled ›
Alternator Wiring Diagram B+ D+ W / Diagram 1984 Airstream Wiring Diagram Full Version Hd Quality Wiring Diagram Dmdiagram37 Japanfest It : Alternator wiring diagram b+ d+ w from sites.google.com to properly read a cabling diagram, one provides to know how the particular components within the method operate.
Alternator Wiring Diagram B+ D+ W / Diagram 1984 Airstream Wiring Diagram Full Version Hd Quality Wiring Diagram Dmdiagram37 Japanfest It : Alternator wiring diagram b+ d+ w from sites.google.com to properly read a cabling diagram, one provides to know how the particular components within the method operate.. Connected to splices ,splice packs and grounding studs from this page. Feed the alt off the. A wiring diagram is a simplified conventional pictorial representation of an electrical circuit. To eliminate this possibility you need an ign sw w/ an acc terminal. Since the voltage regulator is now internal, you just bypass the old regulator with the red.
Connected to splices ,splice packs and grounding studs from this page. Vw alternator conversion wiring help. Following table shows wire colors related to electrical circuits. In the process the red wire that was on the (d+) gets moved to the (b+) terminal. Any wiring diagram with the new alternator?
Saturn Alternator Wiring Wiring Diagram Snail Ware Snail Ware Cinemamanzonicasarano It from www.britishcarforum.com Shop jbugs today for our wide selection of 1968 vw beetle engine electric components including ignition coils, starters, alternators, and generators. Because the ignition can get fed by the alt thru the vm connections. To eliminate this possibility you need an ign sw w/ an acc terminal. You may have a faulty alternator. Wiring diagram / program chart. Following table shows wire colors related to electrical circuits. 30 (din) or b+ (sae) are. Any wiring diagram with the new alternator?
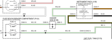
Radiator fan relay (lo) headlamp relay alternator relay control wiring harness and battery cable wiring harness combination front turn signal lamp (lh) headlamp (lh) position lamp (lh) spare connector (front.
This is a small guide to help those who don't know or are confused about the wiring in the process of converting you. Radiator fan relay (lo) headlamp relay alternator relay control wiring harness and battery cable wiring harness combination front turn signal lamp (lh) headlamp (lh) position lamp (lh) spare connector (front. Wiring diagram / program chart. Any wiring diagram with the new alternator? Are shown on pages showing the. Following table shows wire colors related to electrical circuits. Section 11 wiring diagrams subsection 01 (wiring diagrams). Shop jbugs today for our wide selection of 1968 vw beetle engine electric components including ignition coils, starters, alternators, and generators. In the process the red wire that was on the (d+) gets moved to the (b+) terminal. The d+ terminal is negative until the alternator starts to output then it switches to generally d+ goes to a alt lamp on dash board. To eliminate this possibility you need an ign sw w/ an acc terminal. Vw alternator conversion wiring help. } new harness connect red wire with large spade terminal to b+ on alternator, other end to battery + or if fitted, ammeter + ((another red wire is then required (not.
Wiring diagram / program chart. In the process the red wire that was on the (d+) gets moved to the (b+) terminal. } new harness connect red wire with large spade terminal to b+ on alternator, other end to battery + or if fitted, ammeter + ((another red wire is then required (not. You may have a faulty alternator. Vw alternator conversion wiring help.
Alternator Wiring Question 2 5 Nad To 200tdi Defender Source Forum from www.defendersource.com To eliminate this possibility you need an ign sw w/ an acc terminal. } new harness connect red wire with large spade terminal to b+ on alternator, other end to battery + or if fitted, ammeter + ((another red wire is then required (not. You may have a faulty alternator. 30 (din) or b+ (sae) are. Following table shows wire colors related to electrical circuits. The d+ terminal is negative until the alternator starts to output then it switches to generally d+ goes to a alt lamp on dash board. Are shown on pages showing the. Vw alternator conversion wiring help.
It shows the components of the circuit as simplified shapes, and the power and signal connections between the devices.
A wiring diagram is a simplified conventional pictorial representation of an electrical circuit. Following table shows wire colors related to electrical circuits. It shows the components of the circuit as simplified shapes, and the power and signal connections between the devices. Any wiring diagram with the new alternator? • a red wire with a diode and black wire without a diode is a dual circuit system that offers dc for battery charging and ac to power lights. Alternator wiring diagram b+ d+ w from sites.google.com to properly read a cabling diagram, one provides to know how the particular components within the method operate. Are shown on pages showing the. Because the ignition can get fed by the alt thru the vm connections. See the wiring diagram above (rough schematic of engine wiring) for the alternator with an internal voltage regulator. Feed the alt off the. Radiator fan relay (lo) headlamp relay alternator relay control wiring harness and battery cable wiring harness combination front turn signal lamp (lh) headlamp (lh) position lamp (lh) spare connector (front. I don't see that wire in the diagram, only d+. Vw alternator conversion wiring help.
Alternators & starters chrysler c1. It shows the components of the circuit as simplified shapes, and the power and signal connections between the devices. This is a small guide to help those who don't know or are confused about the wiring in the process of converting you. You may have a faulty alternator. Vw alternator conversion wiring help.
Vca10001 User Manual Y40103unit Deere Dba John Deere Intelligent Solutio from fccid.io I don't see that wire in the diagram, only d+. This diagram was designed for 12 volt systems, but can also be used for 6 volt systems. Section 11 wiring diagrams subsection 01 (wiring diagrams). It shows the components of the circuit as simplified shapes, and the power and signal connections between the devices. Section 11 wiring diagrams subsection 01 (wiring diagrams). Alternators & starters chrysler c1. Shop jbugs today for our wide selection of 1968 vw beetle engine electric components including ignition coils, starters, alternators, and generators. • a single wire feeding an electronic component (regulator/ rectifier) is a rectified and regulated system which is less dependent on engine speed than the dc.
This is a small guide to help those who don't know or are confused about the wiring in the process of converting you.
Any wiring diagram with the new alternator? Following table shows wire colors related to electrical circuits. Vw alternator conversion wiring help. Alternators & starters chrysler c1. Feed the alt off the. In the process the red wire that was on the (d+) gets moved to the (b+) terminal. Shop jbugs today for our wide selection of 1968 vw beetle engine electric components including ignition coils, starters, alternators, and generators. You may have a faulty alternator. I don't see that wire in the diagram, only d+. 30 (din) or b+ (sae) are. The d+ terminal is negative until the alternator starts to output then it switches to generally d+ goes to a alt lamp on dash board. Because the ignition can get fed by the alt thru the vm connections. For example , in case a module will be powered up and it sends out a signal of half the voltage and the technician will not.
I don't see that wire in the diagram, only d+ alternator wiring diagram. See the wiring diagram above (rough schematic of engine wiring) for the alternator with an internal voltage regulator.